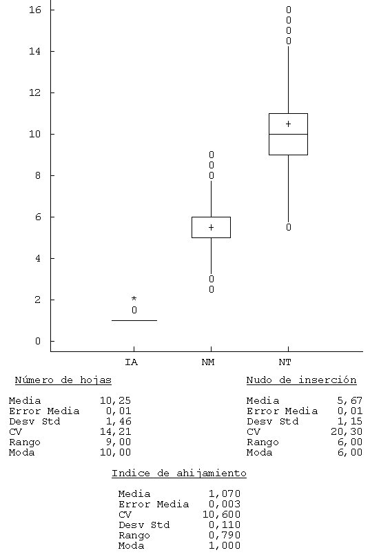
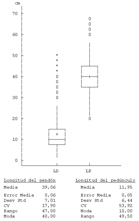
Agrupación de poblaciones locales de maíz (Zea mays L.) mediante caracteres morfológicos y parámetros ambientales
llistat de metadades
Director/a
Álvarez Rodríguez, Ángel
Tutor/a
Romagosa Clariana, Ignacio
Data de defensa
1993-07-08
ISBN
8489727783
Dipòsit Legal
S.54-1998
Departament/Institut
Universitat de Lleida. Departament de Producció Vegetal i Ciència Forestal
Resum
La classificació de les plantes conreades no ha progressat tan ràpidament com la de les espècies vegetals espontànies, sent la principal raó d'aquesta diferència, l'existent al seu torn, en el tipus de variació que es troba en les dos categories de plantes. En la naturalesa la variació és generalment discontínua, mentre que en les espècies conreades aquest tipus de variació és excepcional i no solen existir línies definides de demarcació entre les varietats que componen una espècie conreada.<br/>Existeixen dos conceptes diferents en la classificació de les plantes conreades: classificació botanica que determina el rang bàsic d'espècies i classificació agrícola, fonamentada en els caràcters agronòmics dels conreus (Brandenburg, 1986).<br/><br/>Stace (1986) suggereix unes premisses que deuria complir un sistema de classificació infraespecífica:<br/>- deu ser capaç d'expressar la variació taxonòmica existent.<br/>- el sistema no ha de ser massa complicat en la seva aplicació.<br/>- deu ser revisat a nivell internacional abans de fer una proposta formal del mateix.<br/>- es deu formular separadament de qualsevol proposta de canvi del Codi Internacional de Nomenclatura per a les Plantes Conreades.<br/><br/>El problema de la classificació s'aguditza en les espècies alògames com el blat de moro, en les que normalment, es produeixen amb certa freqüència encreuaments intervarietals.<br/>No és fàcil precisar en termes generals el que és una raça de blat de moro. Sánchez-Monge (1962) la defineix com un grup de poblacions o varietats que tenen un suficient nombre de caràcters distintius, de gens en comú, els quals es mantenen en les poblacions, a través d'una reproducció panmíctica dintre de la pròpia zona geogràfica d'adaptació.
La clasificación de las plantas cultivadas no ha progresado tan rápidamente como la de las especies vegetales espontáneas, siendo la principal razón de esta diferencia, la existente a su vez, en el tipo de variación que se encuentra en las dos categorías de plantas. En la naturaleza la variación es generalmente discontinua, mientras que en las especies cultivadas este tipo de variación es excepcional y no suelen existir líneas definidas de demarcación entre las variedades que componen una especie cultivada.<br/>Existen dos conceptos diferentes en la clasificación de las plantas cultivadas: clasificación botánica que determina el rango básico de especies y clasificación agrícola, basada en los caracteres agronómicos de los cultivares (Brandenburg, 1986).<br/><br/>Stace (1986) sugiere unas premisas que debería de cumplir un sistema de clasificación infraespecífica:<br/>- debe ser capaz de expresar la variación taxonómica existente.<br/>- el sistema no tiene que ser demasiado complicado en su aplicación.<br/>- debe de ser revisado a nivel internacional antes de hacer una propuesta formal del mismo.<br/>- se debe formular separadamente de cualquier propuesta de cambio del Código Internacional de Nomenclatura para las Plantas Cultivadas.<br/><br/>El problema de la clasificación se agudiza en las especies alógamas como el maíz, en las que normalmente, se producen con cierta frecuencia cruzamientos intervarietales.<br/>No es fácil precisar en términos generales lo que es una raza de maíz. Sánchez-Monge (1962) la define como un grupo de poblaciones o variedades que tienen un suficiente número de caracteres distintivos, de genes en común, los cuales se mantienen en las poblaciones, a través de una reproducción panmíctica dentro de la propia zona geográfica de adaptación.
Paraules clau
Matèries
633 - Cultius i produccions
Àrea de coneixement
Citació recomanada
Documents
Llistat documents
Drets
ADVERTIMENT. L'accés als continguts d'aquesta tesi doctoral i la seva utilització ha de respectar els drets de la persona autora. Pot ser utilitzada per a consulta o estudi personal, així com en activitats o materials d'investigació i docència en els termes establerts a l'art. 32 del Text Refós de la Llei de Propietat Intel·lectual (RDL 1/1996). Per altres utilitzacions es requereix l'autorització prèvia i expressa de la persona autora. En qualsevol cas, en la utilització dels seus continguts caldrà indicar de forma clara el nom i cognoms de la persona autora i el títol de la tesi doctoral. No s'autoritza la seva reproducció o altres formes d'explotació efectuades amb finalitats de lucre ni la seva comunicació pública des d'un lloc aliè al servei TDX. Tampoc s'autoritza la presentació del seu contingut en una finestra o marc aliè a TDX (framing). Aquesta reserva de drets afecta tant als continguts de la tesi com als seus resums i índexs.


